首页
关于我们
产品中心
新闻动态
在线留言
联系我们
PRODUCTS
产品中心
MTS钮子开关系列
DTS钮子开关系列
小型按钮开关系列
ETEN钮子开关系列
防水帽系列
XLR音响组合插座开关系列
XLR连接器系列
HP(Speakon)音响插座系列
保险丝插座系列
WP外接线插座系列
AV同芯插座系列
拨动开关系列
AC电源插座系列
产品展示
当前位置:
首页
>>
产品展示
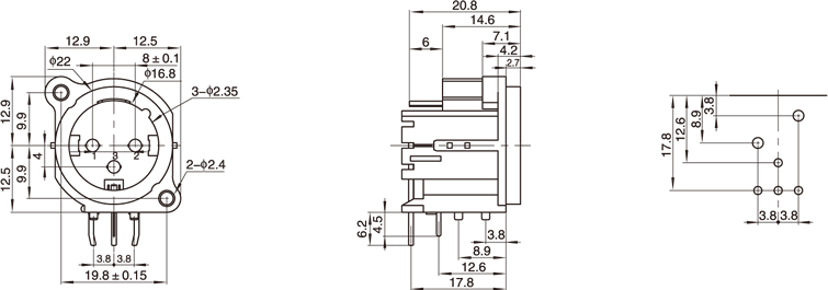
>> XLR连接器系列
CT3-05M
导航 / NAVIGATION
网站首页
关于金隆
产品中心
新闻动态
在线留言
联系我们
收藏本站
在线留言
联系我们
Copyright © 2018-2026 乐清市金隆电子科技有限公司 All Rights Reserved. 手机:15058378811 电话:0577-62361087
浙ICP备18001860号